2014 Polaris Ranger 570 Midsize Wiring Diagram Wiring Draw And Schematic

Polaris Ranger Electrical Diagram. Polaris Ranger 800 Wiring Diagram Wiring Diagram and Schematic A 2011 Polaris Ranger 800 wiring diagram is a visual representation of the electrical system of the Polaris Ranger 800 model that was manufactured in 2011 It includes detailed diagrams of each component, along with written descriptions of the purpose and function of each.

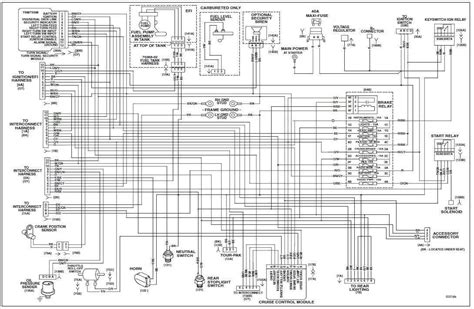
2004 polaris ranger 500 wiring diagram
2004 polaris ranger 500 wiring diagram from partsdiagram.netlify.app

2011 2012 Ranger 800 Xp Hd Crew 6x6 Chapter 10 Electrical The Polaris Ranger 570 wiring diagram can be a critical component of managing and maintaining your off-road vehicle

2004 polaris ranger 500 wiring diagram

They contain hundreds of pages of step-by-step instructions, full wiring diagrams, and detailed illustrations or pictures on how to repair, rebuild, or maintain virtually anything on your vehicle. This diagram offers a detailed look at the wiring of the entire machine, making it easier to find and repair any potential problems. Title: 2005-2006 RANGER TM,4x4,6x6 - Wire Diagrams Author: NPKLUEM Created Date: 10/4/2011 1:24:15 PM.

The Ultimate Guide to Understanding the 2010 Polaris Ranger Wiring Diagram. This diagram offers a detailed look at the wiring of the entire machine, making it easier to find and repair any potential problems. These are the most comprehensive FACTORY Polaris workshop repair and maintenance manuals available online

2010 Polaris Ranger 400 Wiring Diagram Wiring Diagram. One of the easiest and most useful mods you can add to your UTV is a Polaris Ranger Dual-Battery Kit. The Polaris Ranger 800 XP Wiring Diagram is an invaluable tool when it comes to troubleshooting and repairing the electrical system of this popular UTV